您的位置:首页 >产品中心 >FPC,FFC连接器 >0.4间距
![]() |
.jpg)
.jpg)
.jpg)
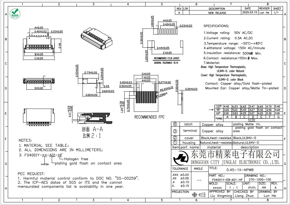
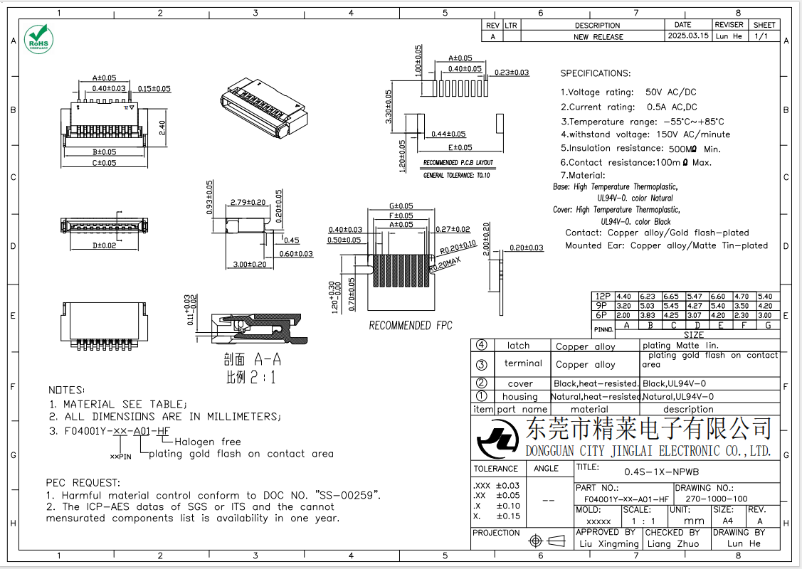
SPECIFICATIONS:
1.Voltage rating:50V AC/DC
2.Current rating:0.5A AC,DC
3.Temperature range:-55'C~+85'C
4.withstand voltage:150V AC/minute
5.Insulation resistance: 500Mg Min.
6.Contact resistance:100m 0 Max.
7.Material:
Base: High Temperature Theroplastic,UL94y-0. color NaturalCover: High Temperature Thermoplastic,UL94y-0,color BiackContact:Copper alloy/Gold flash-platedMounted Ear: Copper alloy/Matte Tin-plated
0769-89075626 (国内线)
0769-89075628 (国际线)
0769-89075626(国内线)
0769-89075628(国际线)
188-1972-1619(国内线)
138-2652-1112(国际线)
sales01@JL-ELE.com(国内)
msw@JL-ELE.com(国际)

关注我们
Copyright © 东莞市精莱电子有限公司.